混合器
管道过滤器
精细过滤器
气体过滤器
自清洗过滤器
管壳式换热器
消声器
纸浆漂白专用设备
安全淋浴洗眼器
混合机
采样器
特种小型设备

 

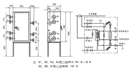
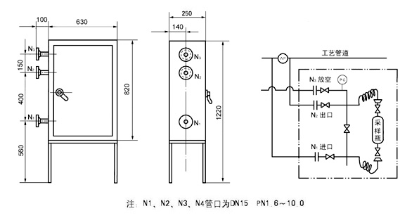
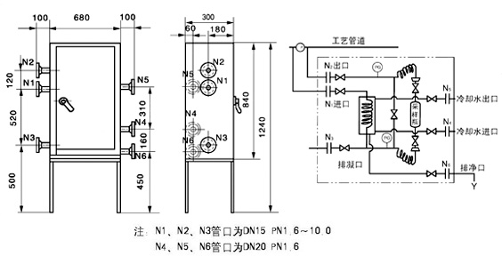
CYQM型密闭采样器

   CYQM型密闭式采样器,主要由箱体、采样瓶、缓冲罐、快换手轮、压力表、阀门、密封件及法兰组成。
结构特点
   由于采样瓶与工艺管之间用带有快换手轮连接,因此,操作简单、迅速、方便。
技术参数适用范围
   1、CYQM-IA型液体密闭式采样器
   适用范围:适用于各种有毒、有害、易燃、易爆等各种液体介质的采样。
   技术参数:采样温度:-20~60℃,设计压力:0~10.0MPa,采样量:100ml
2、CYQM-IB型液体密闭式采样器(带冷却器)
   适用范围:适用于各种有毒、有害、易燃、易爆等各种液体介质的采样。
   技术参数:采样温度:-20~400℃,设计压力:0~10.0MPa,采样量:100ml
3、CYQM-IIA型气体密闭式采样器
   适用范围:适用于各种有毒、有害、易燃、易爆等各种液体介质的采样。
   技术参数:采样温度:-20~50℃,设计压力:0~10.0MPa,采样量:200ml-500ml
4、CYQM-IIB型气体密闭式采样器(带冷却器)
   适用范围:适用于各种有毒、有害、易燃、易爆等各种液体介质的采样。
   技术参数:采样温度:-20~400℃,设计压力:0~10.0MPa,采样量:200ml-500ml
订货须知
   1、订货时请详细注明采样器型号、介质名称、压力和温度。
   2、请注明连接面法兰标准。
版权所有(©)2011:南通中特冶金石化机械有限公司 地址:启东市人民西路2300号
电话:86-513-83629338 传真:86-513-83903598
E-mail:sales@nt-zt.com 静态混合器|管壳式换热器|管道过滤器